Skip to content Skip to sidebar Skip to footer

Solar Drainback System Diagram

Solar Thermal Plumbing Arrangements

Solar Thermal Plumbing Arrangements

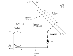
Solar drainback system diagram. Having a twin coil cylinder installed is like having a combined dedicated solar cylinder and a normal cylinder at the same time. Understanding Solar Hot Water Systems The Drain Back Design. Beyond the array use max slope to tank.

DBU with double drainback vessels Double DBU examples. 2 KiloWatts 4 KiloWatts and 8 KiloWatts. Tank 1 33 gallons of stored solar heated water.

This setup works much like the submersed exchanger option in that it needs a second pump. Double Tank System with a Third Tank for Backup. Indirect solar water drainback systems are also a indirect design that use a heat exchanger to separate the collector loop from the potable water.

Single pass dhw drainback system design collector supply and return lines on array must slope 1 in 20 ft toward the supply. Below is a simple drain back system diagram showing the small drainback tank. These system sizes are based on 100 watt solar panels and 5 hours of average daily sunshine.

Below is a simple drain back system diagram showing the small drainback tank. DBU and pipe diagram B2 Figure 4. The Drainback has been designed to be a complete solar appliance that incorporates ease of installation and maximum efficiency for years of trouble-free service.

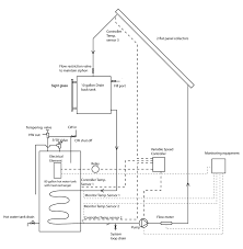
This does not include the additional related various subsets of components which may or may not be required depending on your installation. Drainback system diagram 8-22-12. Notice in this configuration that only one pump is required to operate the entire system for solar heat collection space heating distribution as well as domestic hot water.

In this case the same exchanger is used to transfer heat from the collectors when the system is running and from the drainback tank when the system is idle. This process begins whenever the sensors attached to the collector detect useful sunlight available which happens when the temperature in the collector is higher than the temperature of the water at the bottom of the storage tank.

Drainback Solar Boiler Sunoptimo Solar Thermal

Drainback Solar Boiler Sunoptimo Solar Thermal

Sizing The Air Space In A Non Pressurized Drainback System 2017 11 29 Pm Engineer

Sizing The Air Space In A Non Pressurized Drainback System 2017 11 29 Pm Engineer

Solar Hot Water Drainback Indirect System Dx 120 64 Web Solar Supplies

Solar Hot Water Drainback Indirect System Dx 120 64 Web Solar Supplies

Energy Grid Solutions Terms Defined 712 309 1284

Energy Grid Solutions Terms Defined 712 309 1284

Schematic Diagram Of A Drain Back System Download Scientific Diagram

Schematic Diagram Of A Drain Back System Download Scientific Diagram

Active Vented System Drain Back Solar Water Heating System Api Energy

Active Vented System Drain Back Solar Water Heating System Api Energy

Drainback Solar Thermal System Design Solar365

Drainback Solar Thermal System Design Solar365

Drain Back Solar Hot Water Building America Solution Center

Drain Back Solar Hot Water Building America Solution Center

Solar Thermal Collector Drain Back System Storage Water Heater Water Heating Container Drainbacksystem Angle Text Material Png Pngwing

Solar Thermal Collector Drain Back System Storage Water Heater Water Heating Container Drainbacksystem Angle Text Material Png Pngwing

Drain Back Solar Hot Water Building America Solution Center

Drain Back Solar Hot Water Building America Solution Center

Uniqube Sq Bpsw Drain Back Solarico

Uniqube Sq Bpsw Drain Back Solarico

Solar Thermal Plumbing Arrangements

Solar Thermal Plumbing Arrangements

Drainback Vs Closed Loop Solar System Youtube

Drainback Vs Closed Loop Solar System Youtube

Storage Tank For A Drainback Systemx Everything About Solar Energy

Storage Tank For A Drainback Systemx Everything About Solar Energy

Simple Elegant Solar Hot Water Drain Back System Crestone Solar School

Simple Elegant Solar Hot Water Drain Back System Crestone Solar School

Drain Back Solar Water Heating System Jpg Members Gallery Mechanical Engineering

Drain Back Solar Water Heating System Jpg Members Gallery Mechanical Engineering

Hydraulic Scheme Of A Solar Heating System With Drain Back Design And Download Scientific Diagram

Hydraulic Scheme Of A Solar Heating System With Drain Back Design And Download Scientific Diagram

Drainback Solar Water Heaters Or Pv Electric Solar

Drainback Solar Water Heaters Or Pv Electric Solar

Greentherm Drain Back Flat Plate Solar Panel System

Greentherm Drain Back Flat Plate Solar Panel System

Solar Freeze Protection 2017 03 20 Achrnews Achr News

Solar Freeze Protection 2017 03 20 Achrnews Achr News

Smart Solar Thermal Drainback System Installs For Half The Price Of Other Models

Smart Solar Thermal Drainback System Installs For Half The Price Of Other Models

Drainback Solar Thermal System Heat Exchangers Solar365

Drainback Solar Thermal System Heat Exchangers Solar365

Drainback Solar Boiler Sunoptimo Solar Thermal

Drainback Solar Boiler Sunoptimo Solar Thermal

1

1

Types Of Solar Hot Water System In Orlando

Types Of Solar Hot Water System In Orlando

Solar Hot Water Systems Sototech

Solar Hot Water Systems Sototech

Drain Back Solar System Integra Solair

Drain Back Solar System Integra Solair

Check Valve Doesn T Work With Solar Drainback System Terry Love Plumbing Advice Remodel Diy Professional Forum

Check Valve Doesn T Work With Solar Drainback System Terry Love Plumbing Advice Remodel Diy Professional Forum

Solar Editorial

Solar Editorial

Handling Drain Back Plumbing With Dips

Handling Drain Back Plumbing With Dips

Drainback Solar Thermal Systems A Review Sciencedirect

Drainback Solar Thermal Systems A Review Sciencedirect

Our Systems Products

Our Systems Products

2

2

Solar Draindown Heating Systemss

Solar Draindown Heating Systemss

Pin By Omer Kocak On Water Heaters Solar Energy Diy Solar Energy Solar Water Heating

Pin By Omer Kocak On Water Heaters Solar Energy Diy Solar Energy Solar Water Heating

Solar Hot Water Installation

Solar Hot Water Installation

Dubious Solar Hot Water Drainback 2015 10 14 Plumbing And Mechanical Plumbing Mechanical

Dubious Solar Hot Water Drainback 2015 10 14 Plumbing And Mechanical Plumbing Mechanical

System Types

System Types

Drainback Solar Water Heater Systems Traditional

Drainback Solar Water Heater Systems Traditional

Solar Hot Water System Design Construction Of Spartan Hannah S Home

Solar Hot Water System Design Construction Of Spartan Hannah S Home

Nes Hot Water

Nes Hot Water

Secusol Drain Back Working Principle Image Source T Schabbach Et Download Scientific Diagram

Secusol Drain Back Working Principle Image Source T Schabbach Et Download Scientific Diagram

Solar Thermal Systems Designing Buildings

Solar Thermal Systems Designing Buildings

Solar Thermal Plans Twinsprings Research Institute

Solar Thermal Plans Twinsprings Research Institute

How It Works Aqua Care Solar

How It Works Aqua Care Solar

Lesson 2 Solar Hot Water Basics Pennsylvania Solar Course

Lesson 2 Solar Hot Water Basics Pennsylvania Solar Course

Dubious Solar Hot Water Drainback 2015 10 14 Plumbing And Mechanical Plumbing Mechanical

Dubious Solar Hot Water Drainback 2015 10 14 Plumbing And Mechanical Plumbing Mechanical

Solar Water Heating Systems Freeze Protected Warm Weather Systems

Solar Water Heating Systems Freeze Protected Warm Weather Systems

1

1

Below is a simple drain back system diagram showing the small drainback tank.

A system based on drainback also called a self-draining or gravity drain system allows the solar collectors to drain naturally and passively every time the circulation pump stops. The fluid is thus immune to overheating and freezing. Having a twin coil cylinder installed is like having a combined dedicated solar cylinder and a normal cylinder at the same time. DBU with double drainback vessels Double DBU examples. Row 1 collector pump solar storage tank typical mounting for collectors parallel to sloped roof bypass valve cw inlet. Two types of technology exist. The DX Drainback system uses the suns energy to heat your water reducing your electricity consumption. DBU and pipe diagram B2 Figure 4. Solar Systems Installation Start-Up Maintenance Parts Warranty For Residential and Commercial Use DB Models 272 Duchaine Blvd.


Double Tank DHW - 2 port tank. Things like interconnecting cables solar panel mounts brackets branch Y adapters combiner boxes circuit breakers shunts and meters grounding hardware and other details. Double Tank System with a Third Tank for Backup. DHW Instantaneous Space Heat. Below is a simple drain back system diagram showing the small drainback tank. They also use a differential controller to start the pump or the pumps and to route the water into the system. Understanding Solar Hot Water Systems The Drain Back Design.

Post a Comment for "Solar Drainback System Diagram"